WF-M5899 Series

| No. | Name | Explanation |
|---|---|---|
| 1 | ADF (Automatic Document Feeder) cover (F) | Open when removing jammed originals in the ADF. |
| 2 | ADF edge guides | Feeds originals straight into the printer. Slide to the edges of the originals. |
| 3 | ADF input tray | Feeds originals automatically. |
| 4 | ADF output tray | Holds originals ejected from the ADF. |
| 5 | Operation Panel | Operates the printer. You can change the angle of the panel. |
| 6 | Paper cassette 1 or Paper cassette (C1) | Loads paper. |
| 7 | Paper cassette 2 (C2) | Optional paper cassette unit. Loads paper. |
| 8 | Paper cassette 3 (C3) | |
| 9 | Paper cassette 4 (C4) | |
| 10 | External interface USB port | Connects memory devices. |

| No. | Name | Explanation |
|---|---|---|
| 1 | Paper tray cover | Prevents foreign substance from entering the printer. Usually keep this cover closed. |
| 2 | Edge guides | Feeds the paper straight into the printer. Slide to the edges of the paper. |
| 3 | Paper support | Supports loaded paper. |
| 4 | Paper tray (B) | Loads paper. |
| 5 | Eject Tray | Holds the ejected paper. |
| 6 | Edge guides | Feeds the paper straight into the printer. Slide to the edges of the paper. |
| 7 | Paper cassette | Loads paper. |

| No. | Name | Explanation |
|---|---|---|
| 1 | Document cover | Blocks external light while scanning. |
| 2 | Scanner glass | Place the originals. |
| 3 | External interface USB port | Connects memory devices. |

| No. | Name | Explanation |
|---|---|---|
| 1 | SCN Unit | Scans placed originals. Open when removing jammed paper inside the printer. |
| 2 | Printhead | Fires ink. |
| 3 | Ink Pack Tray | Sets an ink supply unit. |
| 4 | Ink cover (A) | Open when replacing ink supply units. |
| 5 | Cover lock | Locks the ink cover. |

| No. | Name | Explanation |
|---|---|---|
| 1 | LAN port | Connects a LAN cable. |
| 2 | USB port | Connects a USB cable to connect with a computer. |
| 3 | USB port | USB port for future use. Do not remove the sticker. |
| 4 | LINE port | Connects a phone line. |
| 5 | EXT. port | Connects external phone devices. |
| 6 | Power Supply Connector | Connects the power cord. |
| 7 | Rear Unit | Open when removing jammed paper. |
| 8 | Rear Cover | Open when removing jammed paper. |
| 9 | Maintenance box cover | Open when replacing the maintenance box. |

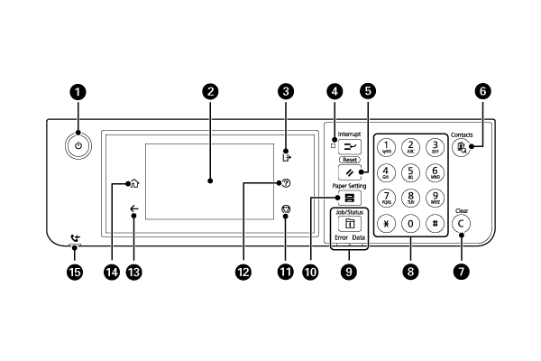
| No. | Explanation |
|---|---|
| 1 | Turns the printer on or off. |
| 2 | Displays menus and messages. Touch the screen to select items. Drag the screen to scroll. |
| 3 | Logs off from the printer when Access Control is enabled. When Access Control is disabled, this is also disabled. |
| 4 | Pauses the current printing job and allows you to interrupt another job. However, you cannot interrupt a new job from the computer. Press this button again to restart a paused job. |
| 5 | Restore operation settings to before the change. |
| 6 | Displays the Contacts list. You can register, edit or delete the contacts. |
| 7 | Clears number settings such as the number of copies. |
| 8 | Enters numbers, characters, and symbols. |
| 9 | Displays the Job/Status menu. You can check the printer's status and job history. The error light on the left flashes or turns on when an error occurs. The data light on the right flashes when the printer is processing data. It turns on when there are queued jobs. |
| 10 | Displays the Paper Setting screen. You can select the paper size and paper type settings for each paper source. |
| 11 | Stops the current operation. |
| 12 | Displays the Help screen. You can check solutions to problems from here. |
| 13 | Returns to the previous screen. |
| 14 | Displays the home screen. |
| 15 | Turns on when received documents that have not yet been read, printed, or saved, are stored in the printer's memory. |